
扫一扫,了解详情咨询
传 真:0412-8563322
手 机:13188096776(手机微信同步)
手 机:15042298876(手机微信同步)
联系人:孙经理
QQ:137221353
邮 箱:stonesun168@sohu.com
1.概要
EP4000系列电气阀门定位器与执行机
构配套使用,输入4 ~ 20m A DC的信号转换输出空气压力,控制执行机构的动作。同时根据执行机构的行程进行反馈,从而使执行机构的行程能按控制信号进行精确定位。
EP4000系列电气阀门定位器能用于单动
作型和双动作型执行机构。
EP4000
Electro-Pneumatic Positioner
GENERAL
The EP4000 Series Positioner,mounted on a pneumatic actuator,moves the actuator by receiving DC4~20mA Signals from a controller,Also,the function of detecting and returning the actuator displacement provides accurate positioning in response to DC4~20mA signals
The EP4000 can be used with both single and double acting actuators
2.标准规格STANDARD SPECIFICATIONS
2-1代码 CODE Number
型号 规格
| EP |
4 |
|
|
|
|
系列 |
4 |
0 |
0 |
0 |
|
|
防爆(防护)结构 |
1 |
|
|
耐压防爆型(隔爆型) d ExdllBT6 Explosion proof type |
|
|
室外防水型(增安型)e ExellT6、IP55 Weather proof type |
|||||
|
本质安全型(本安型)i ExiallCT6 Intrinsically safe explosion proof type |
|||||
|
反馈(动作)方式 |
1 |
|
直行程 执行机构用:标准型Linear: Feedback for standard lever |
||
|
|
角行程(直连式回转轴)执行机构用:标准型Rotary: Feedback for lever |
||||
|
作用型式 |
1 |
单动作型 执行机构用(单作用)For single acting type |
|||
|
双动作型 执行机构用(双作用) For double acting type |
|||||
例:Example:
EP 4111: 表示隔爆型、直行程、单作用、电气阀门定位器。
EP 4311: 表示本安型、直行程、单作用、电气阀门定位器。
EP 4122: 表示隔爆型、角行程、双作用、电气阀门定位器。
EP 4322: 表示本安型、角行程、双作用、电气阀门定位器。
EP 4112: 表示隔爆型、直行程、双作用、电气阀门定位器。
EP 4312: 表示本安型、直行程、双作用、电气阀门定位器。
EP 4211: 表示增安型、直行程、单作用、电气阀门定位器。
注: 耐压防爆型(隔爆型)的使用环境温度范围为-20~+60℃。
本质安全型(本安型)的使用环境温度范围为-40~+60℃。
In the case of explosion proof type, temperature range is -20~+60℃。
In the case of intrinsically safe explosion proof type, temperature range is -40~+60℃。
2-2.技术参数 TECHNICAL DATA
|
系列Series |
EP4000 |
|||||
|
输入信号 Input signal |
4~20mA DC |
The split range is possible by span |
||||
|
输入阻抗 Input Impedance |
250 Ω±5% at25℃ |
|||||
|
输出特性 Output Characteristic |
线性 (标准型) Linear (standard) |
|||||
|
放大器Relay |
单动作型执行机构和双动作型执行机构兼用, |
Non-bleeding type. |
||||
|
气源压力 Air supply |
0.14~0.7MPa(140~700KPA) |
|||||
|
输出压力output pressure |
0~0.7MPa(0~700KPA) |
|||||
|
耗气量Air consumption |
输出气压50%时的耗气量。 |
At output air pressure 50% |
||||
|
最大处理容量Max.capacity |
输出侧气源放空时 |
Capacity when output is atmospheric venting. |
||||
|
性能Performance |
单动作型执行机构
双动作执行机构 |
For single acting actuator
For double acting actuator |
||||
|
上述各数值是指在不连接阀门的情况下执行机构的性能。 |
||||||
|
气源接口Air connection |
Rc1/4 NPT1/4 |
|||||
|
电气接口Wiring connection |
G1/2 NPT1/2 |
|||||
|
环境温度Ambient temerature |
标准型 Standard type -20~+60℃ |
|||||
|
湿度范围Ambient humidity range |
10~90%RH |
|||||
|
结构形式Enclosure |
耐压防爆型(隔爆型) d Ex dllBT6、 Explosion proof type(Ex d ll BT6) |
|||||
|
附属机构Standard auxiliary |
自动-手动切换装置Auto-Manual switch |
|||||
|
外壳材料Housing material |
铝合金Aluminum alloy |
|||||
|
表面涂层Coating |
喷塑Spray plastics |
|||||
|
标准涂层色Coating colors |
浅灰Light gray |
|||||
|
重量Appros.weight |
2.3kg~3kg |
|||||
|
附加规格Optionalspecifications |
根据客户要求制作Available upon request |
|||||
|
电气接口Wiring connection |
1/2NPT(室外防水型For waterproof only) |
|||||
|
安全栅Safety device |
齐纳安全栅Zener barrier(Exia II C) |
|||||
|
压力表刻度Pressure gauge |
Mpa、Kpa、Bar、Psi |
|||||
|
输出特性Output characteristic |
等百分比Equal percentage |
|||||
|
气源接口Air supply connection |
1/4 NPT |
|||||
3. 特 点
1 适用于小容量及大容量的执行机构
由于采用了载荷控制弹簧,选择相应的弹簧后就能获得最适合于该执行的定位器。
2 耗气量小
放大器的耗气量小、容量大。
3 可以选择输出特性
由于反馈机械中有凸轮装置,因此可以选择标准特性以外的输出特性。
4 各种反馈方式对应的型号
只要更换凸轮装置,就可以用于以下对应的执行机构。
* 直行程执行机构: 标 准 型……………EP 4 1 1
*角行程执行机构: 标 准 型………… …EP 4 2 1
5 易变换成反作用放大器
单作用执行机构在需要反作用控制时,正作用型放大器很容易变换成反作用型放大器。
6 耐压防爆型可在现场进行调整
由于信号(4~20mA.DC) 输入端接头及线圈部位的封装呈耐压防爆结构,因此在进行检修及行程调整时,可以 在现场防爆区域内拆除定位器外壳。
7 本质安全的构造有着广阔的适用范围
接线盒及线圈有着本质安全型的构造,因此与专用的齐纳安全栅组合使用能力矩线圈适用于所有危险气体的场所(包括0区),使用环境温度范围-40~+60℃。
3.FEATURES
1 USABLE WITH SMALL AND LARGE CAPACITY ACTUATORS
By adjusting the built-in capacity control spring, the positioner can be made optimum to the given actuator.
2 LOW AIR CONSUMPTION
The relay is low in air consumption and large in capacity.
3 OUTPUT CHARCTERISTICS SELECTABLE
Having a cam within the feedback construction,choices other than the standard linear characteristic are
available.
4 COMPATIBLE WITH VARIOUS FEEDBACK TYPES
A pplicable to the following types by simply exchanging the cam block.
* For Linear type actuator: Feedback for Standard lever type ……EP 4 1 1
* For Rotary type actuator:Feedback for Standard lever typy ……EP 4 2 1
5 REVERSE ACTION RELAY EASILY AVAILABLE
The positive acting relay can be used as a reverse actiion relay when combined with a single acting actuator that requires a reverse action control.
6 EXPLOSION PROOF STRUCTURE MARKING ON-SITE ADJUSTMENT POSSIBLE
Explosion proof construction,with the terminal and coil blocks enclosed together in one
package,makes it possible to remove the positioner cover for inside inspection or span adjustment even in an explosive ambient.
7 INTRINSICALLY SAFE CONSTRUCTION FOR A WIDE RANGE OF APPLICATIONS
The intrinsically safe construction covers terminals and coil as one package. This,combined with the adoption of the specified zener barrier,makes the unit applicable in all hazardous gas location(including Class 0 zone) ranging from low(-40 ℃) to high(+60 ℃)temperature environment.
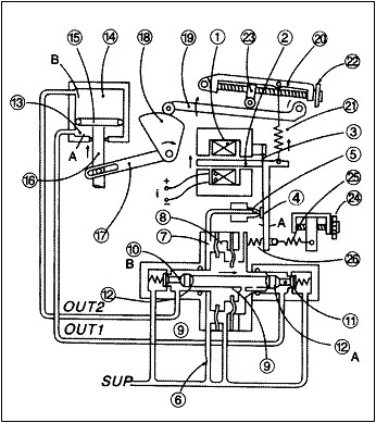
4、工作原理

4-1 双动作型:
来自气源SUP的一部分压力空气经固定节流口(6)进入喷嘴的背压室(7),并通过喷嘴(5)与挡板(4)的间隙排出。力矩马达的线圈(1)得到电信号(i)后,在磁场作用下衔铁(2)以支点板弹簧(3)为中心。按图中A所示方向回转,使挡板(4)与喷嘴(5)的间隙减小、喷嘴的背压随之升高,控制阀芯(9)由供气室(8)的作用下向右移动。阀孔A(10)的气门(11)及阀孔B(10)’阀的气门(12)’被打开,即压力空气通过气管OUT1进入气缸的A室(13)气缸B室(14)’的空气通过气管OUT2向外排气,此时由于气缸活塞上下产生了压差,活塞向上方移动,活塞杆的运动带动反馈连杆(17)与凸轮(18)并带动凸轮随动杆(19)及反馈弹簧连杆(20),增加了反馈弹簧(21)的张力。使挡板(4)与喷嘴(5)之间的间隙增大。在反馈弹簧(21)的张力与输入电信号(i)对衔铁的吸力达到平衡之前,活塞是运动的,活塞的位移与输入信号成正比。另外,旋钮(22)可调节滑块(23)的行程,旋钮(24)可调节调零弹簧(25)的张力。而且改换负载弹簧(26)可获得相应的弹簧特性系数,以适应各种容量的定位器。
上述为活塞上升工作状态,如进出气管位置互换或将凸轮反装,即呈下降工作状态。

4-2: 单动作型
来自SUP气源的一部分压力空气经固定节流口(6)时入喷嘴的压室(7),并通过喷嘴(5)与挡板(4)间隙排出。力矩马达线圈(1)得到电信号(i)后,在磁场作用下衔铁(2)以支点板弹簧(3)为中心按图中A 所示方向回转,使得挡板(4)与喷嘴(5)的间隙减小,喷嘴的背压随之升高,控制阀阀芯(9)在供气压力室(8)的作用下向右移动,阀孔A(10)的气门(11)被打开气门(12)被关闭,与气管OUT1连通的气缸(13)内的气压上升,活塞杆薄膜(15)逐渐克服弹簧(14)弹力面上升。该活塞杆(16)的上升通过反馈杆(17),凸轮(18),凸轮随动杆(19),反馈弹簧连杆(20)使反馈弹簧(21)的张力增加,挡板与喷嘴的间隙增大。活塞杆(16)的位置在与输入信号达到平衡活塞前是运动的。另外,旋钮(22)可调节滑块(23)的行程,旋钮(24)可调节调零弹簧(25)的张力、若将A-M手动自动转换器(27)置于全封闭状态时,喷嘴背压室(7)内的压力就上升,供气阀(11)呈全开状态,气源压力就直接经气管OUT1,进入气缸(13),即换负载弹簧(26)获得相应的弹簧特性系数,以适应各种容量的定位器。上述为活塞杆上升工作状态,如进出气管互换将凸轮翻面安装,即呈下降工作状态。
5、安装
5-1、凸轮及凸轮部件的安装
定位器出厂时,其凸轮部件一般不装上,由用户自己按下列顺序装上。
定位器的工况不同,凸轮的安装也不同:当输入信号增加,反馈杆朝压力表方向摆动的场合,凸轮用A面,反之则用B面,(见图1),以凸轮座O型密封圈方向可见凸轮面上的具体刻字(参照表3-2凸轮的型式)。(图2)
· 装在转轴上的凸轮若与使用工况不同时,请将凸轮翻面安装。

· 首先将凸轮座翻转,取下M5螺帽(见图3)。
· 将凸轮从轴上卸下并翻个面(见图5)。
· 把转轴的M5螺纹端装入凸轮的腰形孔,并将弹簧嵌入凸轮钩孔内(见图4)
· 转动反馈轴,使凸轮腰形孔与轴的扁平部对准并安装好(见图5)。
· 将M5螺母拧入凸轮轴螺纹部纹。
· 将凸轮翻过来,检查凸轮面的安装是否正确。


[凸轮部件的安装]
· 定位器出厂时其底座的凸轮部件的安装部位装有螺钉(见图6)。
· 首先拆下2只M4螺钉,将反馈杆插入基座的圆孔部,然后装好凸轮部件。
· 确认凸轮的随动臂滚轮与凸轮接触良好后将2只M4螺钉装上(图7)。
凸轮安装确认
凸轮以刻印面与凸轮座O型密封圈一致。(图8)

5-2定位器与阀门机构的联装
5-2-1 直行程系列定位器安装调试
· 按9外形尺寸图准备好联接支架及反馈销。
· 将反馈销插入反馈杆后装上定位器。
· 用3只M5螺钉将定位器固定在托架上(图9)。
· 将信号及压力空气输入,阀开度调到50%,定位器
反馈杆与装配面的角度调到90°位置(即凸轮基准线与
底座基准线一致时)装上定位器(图10、11)。
· 若是单作用定位器,可用A-M(自动-手动)机构将阀
开度调到50%后,再调整定位器的安装位置(参照10)。
5-2-2 角行程系列定位器安装调试
[准备]
反馈杆的额定回转角为90°,驱动部输出轴的回旋角小于等于90°。装定位器侧的驱动部输出轴端,请加工M8的内螺纹。另外请参照外形图,准备好连接托架。
[安装]
将驱动轴端部的阀反馈杆拧上螺钉。并用锁紧螺母固定,将反馈杆的反馈销与定位器的反馈杆啮合,将定位器固定在托架上(参见图12),此时应确认驱动轴与定位器反馈杆的中心方一致。
[凸轮面的确定]
要根据阀门动作确定凸轮面的朝向,RA动作(随信号增加,定位器输出增加,驱动轴反时针转动)时用A面,DA动作(随信号一侧看,驱动轴顺时针转动)时用B面。松开反馈杆的紧定螺钉。将使用的凸轮面转向滚轮一侧,凸轮面朝向的钢印字母见最后一位(例:4-L-A)(图13)。
[凸轮位置的调整]
凸轮面上刻有三条基准线,表示特性有效范围,当阀开度为50%时,使滚轮对准中间一条基准线,然后拧紧反馈杆的紧定螺钉。然后走满阀的全行程,确认滚轮在二端基准线以内。如超越基线过多会产生定位器的线达不到规定值的现象,此时应松开反馈杆紧定螺钉,重新调整凸轮位置(图12)。
5-2-3 侧式反馈系列定位器安装、调试
·请按外形尺寸图准备好联接板、反馈杆。
·决定反馈杆的基本转角,在基本回转角为90°的使用场合,反馈杆长度减少,适合于长行程。基本回转为45°的场合,反馈销的位置能离开定位器,适合于短行程。一般情况下行程在60mm以下时基本回转角为45°、60mm以上时,基本回转角为90°。
· 定位器的安装位置及动作不同,凸轮面部位也不同,输入信号增加时,反馈杆向压力表侧动作时(标准安装时为DA)取凸轮A面,反之标准安装为RA用凸轮B面(图14)。
·松开反馈杆紧定螺钉,将凸轮片旋向滚轮侧,凸轮面由其刻印的最后一位字母来确认(例:5-L-A,参见图15)。
·将反馈杆插入反馈轴并用M4螺钉轻轻紧固。
·凸轮面板上刻有三条基准线,其间为凸轮特性保证范围。在阀门开度为50%,即反馈杆与定位器呈90°时,将滚轮对中间基准线,并用2只M4紧定螺钉将反馈杆固定。此时若转动凸轮的用力过大,将损坏内部零件,因此不能在将反馈杆固定状态下进行调整。(图16)
·将底板装上联接板2只M6螺钉,先将螺钉拧得不要太紧,以便调整底板上的安装位置。
·将反馈销插入反馈杆装上定位器。
·用3只M5螺钉将定位器与底板联接,此时,反馈杆端部应伸入底板的导向部(见图17)。
·接通气源,输入信号,调整底板位置,使阀门的开度在0%、50%、100%时,滚轮与凸轮各基准线基本一致,然后用2只M6螺钉拧紧固定。(图17)
·此时,单作用型定位器的场合,利用其A-M(自动-手动)转换机构。手动操作使阀开开度 50%位置后,可调整定位器的位置,(参照自动-手动切换机构说明)。 A-M机构使用后,必须回复到自动位置
5-2-4 长行程齿条,齿轮反馈的定位器安装调试
·812、818系列分别有专用的杆盖、齿轮盒,请在执行机构上安装定位器时作用。
5-3外部装置联接:
[气源连接]
· 定位器的气源接口(SUP、OUT1及OUT2)为RC1/4(PT1/4) 及1/4NPT,根据其规格选用合适的联接件。
· 接管时应防止泄漏及将密封胶带进入定位器气路中。
· 用气源调节装置将气压调至压力最大值以下(Max0.7Mpa)。
· 用精度高于5μ的过滤器干燥装置,使用洁净干燥的测试仪表空气。
· 在单动作型场合,将OUT1接口连接执行器(但是单动作反作用控制的场合连接OUT2,参照(6-3)。)
· 在双动作场合,接口OUT1、OUT2 均与执行器连接,输入信号增加,接口OUT1的压力增加,接口OUT2的压力下降(参照4动作原理,4-1双动作型)。
[电气连接]
· 电气接口有G1/2(PF1/2)及,1/2NPT,按技术要求选用合适的联接件。

· 电器接口有二个方向,根据需要要选择其中一个(盲塞内六角内切圆为10mm)(图18)。
· 输入信号的正、负接线要正确,可靠(接线柱螺钉为 M4)接线盒内外均有接地线柱。
· 输入信号的正、负接线要正确,可靠(接线柱螺钉为M 4)线盒内外均有接地线柱。
· 接线完毕应将接线盒拧紧。
6、耐压防爆规格
· 耐压防爆定位器符合Exd II BT6 检查标准,因此可使用于有易爆气体环境,可适合于II BT6级气体环境,环境温度为-20~+60℃。
· 外部导线的定位器有耐压密封式的耐压螺纹式,在配线时,均应按“GB3836.1爆炸性环境用防爆电气设备通用要求”,安装电气接口必须配有密封卷式经防爆检查的引入装置。
不准拆卸固定的防爆结合面或擅自更换以免影响防爆性能。
6-1 耐压防爆电气安装
电气有2处G1/2接口,不用时用盲塞堵上封牢
· 耐压密封填料(图19)的实际连接螺纹应大于5牙,并用锁紧螺母锁紧。
· 电线Φ8-Φ12规格,并用合适的橡胶密封。
· 橡胶密封件应使用压套,将电缆充分压紧。
· 输入+、-信号不要弄错,接线要牢靠,接线螺钉M4,接线盖内部及外部各有一个接地线头。
· 输入信号接通后,将接线盒拧紧,并将紧定螺钉M4 拧紧。
参考资料 封口剂的充填方法
耐压防爆 电线管耐压螺纹密封式
A 配线
·串电线时要注意避免电线表皮划伤,并保证配线正确无误。
B封口
·打开线头封口(图20),在规定部位使用石棉密封填料封口。
·封口朝上,将口牢牢地封好。
C密封粉剂配制
·以密封粉剂1公斤,自来水750毫升的比例调和。平时应避免密封粉剂受潮,以防变质,工业用水及海水的硬化速度不正常而影响硬化,故一定要用自来水。
· 使用洁净的容器,放入水温20~25℃的自来水,按规定比例撒入少许密封粉剂,溶解后再继续加入,容器每次用过后要将残留物去净。
· 密封剂撒入后静置1~2分钟,如有窜水现场在消取后将容器少许振动一下,去除气泡后即用10~20mm的竹棒或木棒以每分钟上60圈左右的速度搅拌2分钟后,继续搅拌直至水泡全部消失。(注意密封粉剂撒入水中后在5分钟内要搅拌否则会降低硬化强度,搅拌速度太高会产生气泡)。
D密封剂的充填
· 打开注入口,将混合好的密封剂小心地注入8成后,轻敲封口部使密封剂充满各凹角部后,再注入必要量的密封剂。(注入时间应控制在粉与水搅拌后的8分钟以内,时间太长会产生气孔。若密封剂呈粘土状则不能再使用。)
· 封口内密封剂进入硬化阶段后请不要再动它。
· 密封剂调制好约40~50分钟后基本硬化,在确认水分完全蒸发后用密封栓将注入口封好。
7、本安防爆结构
使用本安防爆型产品,请参照GB3836.爆炸性环境用防爆电气设备本质安全型电路和电气设备“i”,另外,安全栅的安装,保养也请参考有关使用说明书。
7-1 使用
· 本安防爆型定位器符合Exia II CT6标准,可使用连续存在爆炸性气体(包括乙炔、氢气等),环境温度为-40~+60℃。
· 环境温度低于-20℃时,请使用低温型。
· 本安防爆型定位器,按图(21)所示方法联接所选定的安全栅。
· 一台定位器须配一台安全栅。一台安全栅不能联接数台定位器,安全栅可与安位器一同订货,也可从厂家直接购入。
· 安全栅与定位器的接线,用电感值为≤1mH以下,电容为≤0.06μF以下的导线。
· 安全栅的接线应按制造厂提供的说明书进行,应单独接地。按第一种接地工程方法进行。
7-2 外部导线的连接
· 电气连接口为G1/2(PF1/2),请选用合适的联接件。
· 电气连接口有二个接口,可任选一个,装拆盲塞时可使用内六角扳手。
· 在非危险场接线时,注意:将安全栅的危险场侧的“+”接头与定位器“+”接头、“-”接头与定位器“-”接头接牢。(M4)螺钉。
· 接线盒内、外各有一处接地接头 (M4)螺钉,请可靠接地。
· 输入信号接通后,将接线盒盖拧紧(图19)。
7-3 EP4000本安型关联设备(安全册)配置
经国家级仪器仪表防爆安全监督检验站,按联合取证要求认可EP4000型本安型的阀门定位器作为现场本安设备,可选用下列关联设备(安全栅)配套使用。
齐 纳 安 全 栅
| 型号 |
防爆标志 |
最高开路电压(V) |
最高短路电流mA |
备 注 |
|
LB940 |
Exia II CT6 |
28 |
50 |
应使用其中一个通路,并与调节器 |
|
LB922 |
22 |
150 |
应与调节器输出为发射极输出的电 |
|
|
LB915 |
15 |
150 |
||
|
MTL711 |
22 |
147 |
||
|
Z119/EX |
17.1 |
17.2 |
7-4 使用注意事项
1. 用户在现场安装时,首先须检查阀门定位器外部明显处的铭牌,确认是否相应的危险性爆炸环境及配用的关联设备;
2. 用户现场布线时,应尽量避免外界电磁干扰的影响,并将电缆分布参数控制在0.1F/0.5mH以内;
3. 控制室内连接到关联设备的电气设备的最高允许电压为250V(r.m.s);
4. 认可的阀门定位器的有关防爆的任何部件及元器件,不得擅自更换,以免影响防爆安全性能;
5. 关联设备栅的安装接线,须严格遵照有关制造厂的使用说明书;
8. 调整
8-1. 调零及行程调整
输入50%信号,用调零旋钮将输出调整到50%开度,然后将输入信号分别
调到0%及100%,用调行程旋钮调到规定行程,由于零点会略有变动,因此需按
上述方法反复调整,调整完后将行程紧定螺钉拧紧。(图22)
[外部调零]
日常检修中需要调零时,可利用外部调零装置而不必打开罩壳(图23)。
8-2. 断幅操作
1/2断幅:可用调零,调行程来调整。
1/3以上的断幅:必须变更反馈弹簧。
8-3. 动作变更
[双动作型]
* 上升变下降或下降变上升。
1)将连接执行器的气管OUT1与OUT2互换位置。
2)将凸轮面换向安装。(参照5-1)
3)采取上述措施可改变执行器的动作方向。
[单动作型]
* 将上升动作执行器用定位器改为下降动作
1)将气管OUT与执行器相连。
2)变换凸轮面。(参照5-1)
3)采取上述措施可改变执行器的动作方向。
[单动作反作用控制]
*将上升动作的执行器变为下降动作执行器或反之。
1)采用输入信号而输出压力减小的定位器,把气管OUT1
压力表装OUT2侧(OUT□盲孔堵塞)。
2)将接口OUT2与执行器的气口连接。
3) 采取上述措施可使定位器实现反作用控制。
8-4 增益调整
如果定位器与执行器的容量不匹配,就产生超调或者收敛时间长等问题,如此就需变换定位器内的负载弹簧,弹簧备有标准型、单动作型、双动作型各3种。
| 区分 |
负载控制器 |
匹配定位器量 |
增益 |
|
|
色调 |
单动 |
双动 |
||
|
A |
红 |
|
1L以上 |
大 小 |
|
B |
黄 |
1L以上 |
0.5-1L |
|
|
C |
黑 |
|
0.5L未满 |
|
|
D |
兰 |
0.5L未满 |
|
|

[例]假设用C级(黑色)负载弹簧的某单作用执行器。
·若发生较大超调时-换用D型(蓝色) 弹簧。
·若无发生超调信号变化后收敛过慢-换用B型(黄色弹簧)。
8-5 阀座调整
调节阀座调整器可调节放大器的微调口(双作用平衡时出口1与
出口2的压力),但是,微调在出厂前已调整好,因此无特殊情况,请不要随便调整。
由于阀密封填料磨擦力大等原因,有必要连续调整定位器的灵敏度时,
可调节阀座调整器,以取得最佳值。
调节方法如下:
· 需调整阀座调整器时将护盖螺钉松开,取下护盖(图24)。
·先在原来位置作个记号。
·调整器向右旋转则灵敏度提高,左旋转则降低(见图25)。
·调整器调节范围为90°左右,不要超过原位置1/4转以上。
·调整结束后,为防止误调阀座调整器,应盖上阀座调整器护盖。
9. 分解图及另件表
部件表
| NO |
品名 |
数量 |
NO |
品名 |
数量 |
|
1-1 |
底座 |
1 |
1-10 |
圆头小螺钉 |
2 |
10、保养
· 定位器的气源装置应使用精度超过5μm空气过滤器
· 内部的节流部位如有尘埃,会引起零点漂移等现象,因此在定期保养时应使用清洗装置,保持喷嘴畅通。
· 阀座的调整与定位器灵敏及泄气量有直接关系,在出厂检验时调好,故使用中尽量不要再调。
10-1 自动-手动切换(A-M)装置
单动作型定位器可以使用(A-M)装置,向右旋到底可遮断喷嘴,气源压力就接通气管OUT,即通过手动调节空气调压器,可调节定位器的输出压力(参照动作原理4)但(A-M)装置不能用于单动作型反作用控制。
10-2 喷嘴-挡板的调整
喷嘴-挡板部件由制造厂出厂前调整完毕,因此,喷嘴体的止动螺钉不能自行调松。万一喷嘴-挡板的配合有问题,请连同力矩马达一起更换。在不得不调整喷嘴-挡板的情况时,可将喷嘴体的2只M3紧定螺钉销稍旋松,将挡板轻轻接触喷嘴,在输出压力上升到供气压力值时再紧定螺钉拧紧。
11、故障与对策:
| 检查项目 |
检 查 项 目 |
对 策 |
||
|
不动作 |
供气压力不足 |
提供额定压力空气 |
||
|
输入信号相极错误 |
纠正接线盒的接线 |
|||
|
调零不良 |
调整内、外调零旋钮 |
|||
|
固定节流口堵塞 |
请按清洗装置 |
|||
|
手动-自动变换装置 |
置于 |
|||
|
处于手动位置 |
自动位置 |
|||
|
喷嘴与挡板配合不良 |
换力矩马达组件 |
|||
|
控制阀不良 |
换控制阀 |
|||
|
行程不足 |
行程调节及调零不良 |
进行调行程及调零 |
||
|
供压不足 |
提供额定压力空气 |
|||
|
在中间开 |
执行器的气管连接有误 |
纠正气源 |
||
|
(双动作型) |
输入接口 |
|||
|
凸轮使用面相反 |
变换凸轮使用面 |
|||
|
反馈销未插入反馈杆中 |
将反馈销插入反馈杆中 |
|||
|
线性不良 |
在50%开度时反馈杆中 |
重新安装 |
||
|
装配面不呈直角 |
调整定位器 |
|||
|
供气压力不足(单动作型) |
提供额定压力空气 |
|||
|
反馈型式与凸轮型式不一致 |
换合适的凸轮 |
|||
|
滞后不良 |
滚轮与凸轮接触不良 |
将凸轮组件拆下,再重新 |
||
|
安装螺钉松动 |
安装使滚轮与凸轮接触良好 |
|||
|
磁体减磁 |
拧紧螺钉 |
|||
|
摆动 |
灵敏度不匹配 |
换负载弹簧 |
||
|
控制阀不良 |
换控制阀 |
|||
|
|
||||
|
例图示: |
设计编制号 |
|||
|
EP 4111 |
||||
|
|
|
|
例图示: |
设计编制号 |
|
EP 4122 |
|
|
|
|
|
例图示: |
设计编制号 |
|
EP 4123 |
|
订 货 须 知
订货单上请写明:
1.型号:例EP4111; EP4311;或EP4322; EP4122电气阀门定位器
2.输入信号范围:
①4~20mA DC(标准型 ) ②分程型:4~12mA DC ③分程型:12~20mA DC
3.防爆(防护)型式(等级):①隔爆型号 ②增安型号 ③本安型
4.反馈(动作)方式:① 直行程 ②角行程 ③非直联式角行程
5.作用型式: ①单作用 ②双作用
附;本定位器作用方式,正反作用可调换校整,常规型以正作用提供。
6.凸轮特性(一般调节阀凸轮特性为线性,不必注明,等百分比,非线性需特注)
7.执行机构行程(如用户需100mm或超过100mm行程调节阀配套时,订货需特注)
8.附件(常规的附件可随定位器提供),非常规附件安装联板,运动联板组件是否要,如需要,请提供执行机构型号、图样、气管外径。
9.1/3、1/4断幅用户必须注明。
10、本定位器可与各类型气动调节阀执行机构配套使用。亦可配各类型二位式气动执行机构,实现比例调节。
11、本定位器可单独订货,也可与气动调节阀执行机构配套订货。如有特殊需要,请详细说明。

扫一扫,了解详情咨询
营业执照 技术支持:龙采科技